苏州星格纳测控技术有限公司
Suzhou Signal Measurement Technology Co.,Ldt

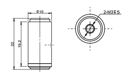
安装尺寸/Mounting Dimension

参数 | Specifications | 技术指标/Technique |
额定容量 | Capacity | 10,20,30,50N,100N |
输出灵敏度 | Rated output | 2.0±10%mV/V |
零点输出 | Zero balance | ±2% F.S. |
非线性 | Non-linearity | 0.1%F.S. |
滞后 | Hysteresis | 0.1%F.S. |
重复性 | Repeatability | 0.1%F.S. |
温度灵敏度漂移 | Temp.effect on output | 0.05%F.S./10℃ |
零点温度漂移 | Temp.effect on zero | 0.05%F.S./10℃ |
输入电阻 | Input impedance | 350±30Ω |
输出电阻 | Output impedance | 350±10Ω |
绝缘电阻 | Insulation | ≥5000MΩ/100VDC |
激励电压 | Recommended excitation | 5~12V |
最大激励电压 | Maximum excitation | 15V |
温度补偿范围 | Compensated temp range | -10~60℃ |
工作温度范围 | Operation temp range | -20~80℃ |
安全超载 | Safe overload | 150%F.S. |
极限超载 | Ultimate overload | 200%F.S. |
电缆线尺寸 | Cable size | Φ2×3000mm |
TEDS可选 | ||
特点与用途/Features & Applications
● 采用高精度电阻应变式原理
● 可满足 4.9N-196N范围内的力测量。
● 不锈钢材料,密封焊接,防油、防水、耐腐蚀
● 圆型结构设计,压式承载,安装使用方便灵活。
● 安全防爆型产品,可用于恶劣环境及危险性场合。
● 不锈钢材料
● 体积小巧,外型美观
● 动态响应频率高,高精度。≥2KHZ







