苏州星格纳测控技术有限公司
Suzhou Signal Measurement Technology Co.,Ldt


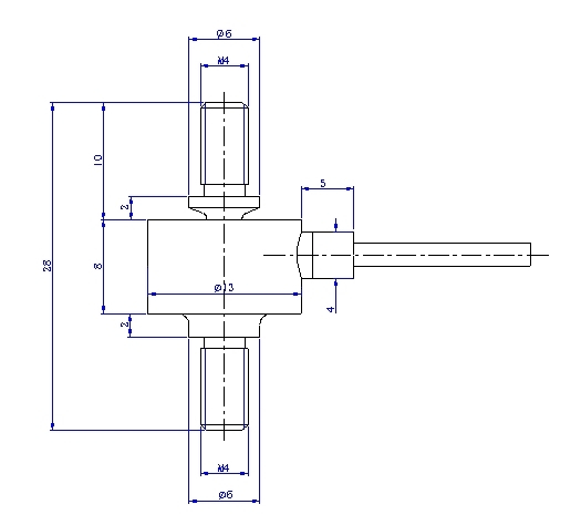
features: |
1. small button cell type |
2. stainless steel |
3. tension and compression |
4. protection class IP66 |
Wiring code: | |||
Excitation voltage + : | Blue | ||
Signal+: | White | ||
Signal -: | Red | ||
Excitation voltage -: | Black | ||
Technical data | Unit | ||
额定载荷 Capacity | N | 10, 20, 50, 100, 200, 500 | |
灵敏度 Sensitivity | mV/V | 1 | |
灵敏度误差 Sensitivity tolerance | % | -10%~+10% | |
非线性误差 Non-linearity | % of Cn | ±0.2 | |
滞后误差 Hysteresis | % of Cn | ±0.2 | |
蠕变、蠕变恢复 Creep、DR | %/30min | ±0.2 | |
重复性 Repeatability | % of Cn | ±0.2 | |
零点平衡 Zero balance | mV/V | ±0.05 | |
输入电阻 Input resistance | Ω | 350±30 | |
输出电阻 Output resistance | Ω | 350±3 | |
温度对零度的影响 Temperature effective on zero | % of Cn | ±0.2 | |
温度对灵敏度的影响 Temperature effective on sensitivity | % of Cn | ±0.2 | |
标准激励电压 Reference voltage | V | 5 | |
工作电压范围 Operation voltage | V | 1…15 | |
额定温度范围 Nominal temperature range | ℃ | -10~+40 | |
工作温度范围 Service temperature range | ℃ | -10~+50 | |
存储温度范围 Storage temperature range | ℃ | -25~+70 | |
绝缘电阻 Insulation resistance | GΩ/100V | >5 | |
安全承载 Safe load limit | % of Emax | 150 | |
极限承载 Breaking load limit | % of Emax | 300 | |
保护等级 IP | IP66 | ||
Ordering number
Part number | Description |
FBC13B-10N-2 | Force transducer, 13 diameter, 10N capacity, tension direction |
FBC13B-20N-2 | Force transducer, 13 diameter, 20N capacity, tension direction |
FBC13B-50N-2 | Force transducer, 13 diameter, 50N capacity, tension direction |
FBC13B-100N-2 | Force transducer, 13 diameter, 100N capacity, tension direction |
FBC13B-200N-2 | Force transducer, 13 diameter, 200N capacity, tension direction |
FBC13B-500N-2 | Force transducer, 13 diameter, 500N capacity, tension direction |



