苏州星格纳测控技术有限公司
Suzhou Signal Measurement Technology Co.,Ldt


| features |
1. small button cell type |
2. stainless steel |
3. compression |
4. high protection class |
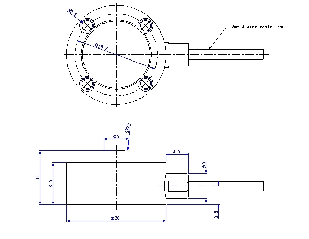
Wiring code: | ||||
Excitation voltage + : | Green | |||
Signal+: | White | |||
Signal -: | Red | |||
Excitation voltage -: | Black | |||
Technical data | Unit | |||
额定载荷 Capacity | N kN | 50, 100, 200, 500 1, 2, 5 | ||
灵敏度 Sensitivity | mV/V | 1 | ||
灵敏度误差 Sensitivity tolerance | % | -10%~+10% | ||
非线性误差 Non-linearity | % of Cn | ±0.1 | ||
滞后误差 Hysteresis | % of Cn | ±0.1 | ||
蠕变、蠕变恢复 Creep、DR | %/30min | ±0.05 | ||
重复性 Repeatability | % of Cn | ±0.1 | ||
零点平衡 Zero balance | mV/V | ±0.02 | ||
输入电阻 Input resistance | Ω | 350±30 | ||
输出电阻 Output resistance | Ω | 350±3 | ||
温度对零度的影响 Temperature effective on zero | % of Cn | ±0.1 | ||
温度对灵敏度的影响 Temperature effective on sensitivity | % of Cn | ±0.1 | ||
标准激励电压 Reference voltage | V | 5 | ||
工作电压范围 Operation voltage | V | 1…15 | ||
额定温度范围 Nominal temperature range | ℃ | -10~+40 | ||
工作温度范围 Service temperature range | ℃ | -10~+50 | ||
存储温度范围 Storage temperature range | ℃ | -25~+70 | ||
绝缘电阻 Insulation resistance | GΩ/100V | >5 | ||
安全承载 Safe load limit | % of Emax | 150 | ||
极限承载 Breaking load limit | % of Emax | 300 | ||
保护等级 IP | IP67 | |||
Ordering Number
Part number | Description |
FBC20A-50N-2 | Force transducer, 20 diameter, 50N capacity |
FBC20A-100N-2 | Force transducer, 20 diameter, 100N capacity |
FBC20A-200N-2 | Force transducer, 20 diameter, 200N capacity |
FBC20A-500N-2 | Force transducer, 20 diameter, 500N capacity |
FBC20A-500N-2 | Force transducer, 20 diameter, 500N capacity |
FBC20A-1kN-2 | Force transducer, 20 diameter, 1kN capacity |
FBC20A-2kN-2 | Force transducer, 20 diameter, 2kN capacity |
FBC20A-5kN-2 | Force transducer, 20 diameter, 5kN capacity |





