苏州星格纳测控技术有限公司
Suzhou Signal Measurement Technology Co.,Ldt


features: |
1. High quality |
2. Stainless steel |
3. Compression |
4. Protection class IP65 |
Wiring code: | |||
Excitation voltage + : | Red | ||
Signal+: | Green | ||
Signal -: | White | ||
Excitation voltage -: | Black | ||
Technical data | Unit | ||
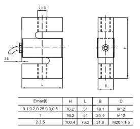
额定载荷 Capacity | t | 0.1; 0.2; 0.25; 0.3; 0.5; 1; 2; 3; 5 | |
灵敏度 Sensitivity | mV/V | 2 | |
灵敏度误差 Sensitivity tolerance | % | -10%~+10% | |
非线性误差 Non-linearity | % of Cn | ±0.0250 | |
滞后误差 Hysteresis | % of Cn | ±0.0250 | |
蠕变、蠕变恢复 Creep、DR | %/30min | ±0.0300 | |
重复性 Repeatability | % of Cn | ±0.02 | |
零点平衡 Zero balance | mV/V | ±0.02 | |
输入电阻 Input resistance | Ω | 352±3 | |
输出电阻 Output resistance | Ω | 380±30 | |
温度对零度的影响 Temperature effective on zero | % of Cn | ±0.02 | |
温度对灵敏度的影响 Temperature effective on sensitivity | % of Cn | ±0.02 | |
标准激励电压 Reference voltage | V | 5 | |
工作电压范围 Operation voltage | V | 1…15 | |
额定温度范围 Nominal temperature range | ℃ | -10~+40 | |
工作温度范围 Service temperature range | ℃ | -10~+50 | |
存储温度范围 Storage temperature range | ℃ | -25~+70 | |
绝缘电阻 Insulation resistance | GΩ/100V | >5 | |
安全承载 Safe load limit | % of Emax | 150 | |
极限承载 Breaking load limit | % of Emax | 300 | |
保护等级 IP | IP65 | ||
Ordering number
Part number | Description |
FSB-100kg-1 | Force S type transducer, 100kg capacity, tension and compression |
FSB-200kg-1 | Force S type transducer, 200kg capacity, tension and compression |
FSB-250kg-1 | Force S type transducer, 250kg capacity, tension and compression |
FSB-300kg-1 | Force S type transducer, 300kg capacity, tension and compression |
FSB-500kg-1 | Force S type transducer, 500kg capacity, tension and compression |
FSB-1T-1 | Force S type transducer, 1000kg capacity, tension and compression |
FSB-2T-1 | Force S type transducer, 2000kg capacity, tension and compression |
FSB-3T-1 | Force S type transducer, 3000kg capacity, tension and compression |
FSB-5T-1 | Force S type transducer, 5000kg capacity, tension and compression |





