苏州星格纳测控技术有限公司
Suzhou Signal Measurement Technology Co.,Ldt

Model: GX
◆ 高精度
◆ 金属波纹管密封
◆ 优异的偏心负载能力
Technical data
技术参数 | Unit | GX |
精度 | 0.02% | |
量程 | Kg | 5;10; 20; 30; 50; 100; 200; 500 |
Vmin | % of Cn | 0.009 |
灵敏度 | mV/V | 2 |
灵敏度误差 | % | <±0.1 |
温度对灵敏度影响 | % of Cn/10K | <±0.0200 |
温度对零点影响 | % of Cn/10K | <±0.0200 |
非线性 | % of Cn | <±0.0200 |
滞后 | % of Cn | <±0.02000 |
零点 | mV/V | 0±0.02 |
蠕变 | %/30min | <±0.0200 |
输入电阻 | Ω | 390±20 |
输出电阻 | Ω | 350±5 |
参考电压 | V | 5 |
最大电压 | V | 12 |
绝缘电阻 | GΩ/100V | >5 |
正常工作温度范围 | ℃ | -10~+40 |
存储温度 | ℃ | -30~+85 |
安全极限 | % of Emax | 150 |
防护等级 | IP67 | |
材料 | ||
弹性体/波纹管 | 不锈钢/不锈钢 | |
电缆线 | 5米灰色PVC电缆 |
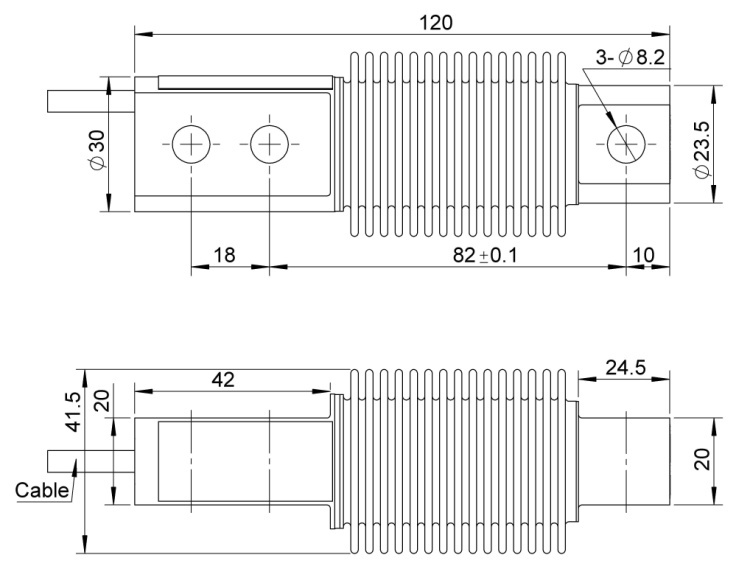
Dimension

Wiring code
Excitation voltage+:red
Excitation voltage-: blue
Signal+: yellow
Signal-: green
Sen+: white
Sen-: black
Shield: blank, connect to body





