苏州星格纳测控技术有限公司
Suzhou Signal Measurement Technology Co.,Ldt
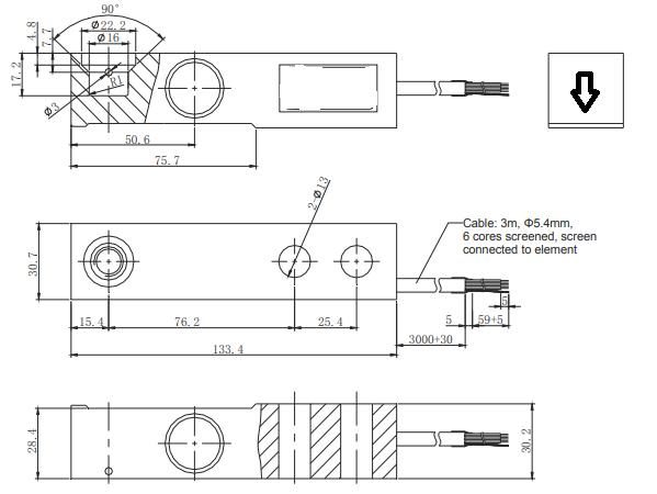
Model: LBFF1

Mounting dimension:

Wiring code: | |
Excitation voltage+: | blue |
Excitation voltage-: | black |
Signal+: | white |
Signal-: | red |
Sen+: | green |
Sen-: | grey |
Shield: | blank, connect to element |
Technical data
参数Parameters | 单位Unit | 技术参数 Specification | |||
精度等级 Accuracy | 0.03 % | ||||
额定量程Emax(Max. capacity) | Kg t | 220, 550 1.1, 1.76 | |||
最小检定分度值 Vmin | % of Emax | 0.0100 | |||
灵敏度 Sensitivity | mV/V | 2.0 | |||
灵敏度误差范围 Tolerance on sensitivity | % | ±0.01000 | |||
温度对灵敏度影响 Temperature effective on sensitivity | % of Cn/10K | ±0.0150 | |||
温度对零点影响 Temperature effective on zero | % of Cn/10K | ±0.0280 | |||
非线性误差 Non-linearity | % of Cn | ±0.0300 | |||
滞后误差Hysteresis error | % of Cn | ±0.0300 | |||
蠕变及蠕变恢复 30mins,Creep、MDLR | %/30min | ±0.0300 | |||
零点平衡Zero balance | mV/V | 0±0.01 | |||
输入电阻Input resistance | Ω | >350 | |||
输出电阻Output resistance | Ω | 350±3 | |||
参考电压Reference excitation voltage | V | 5 | |||
最大工作电压 Maximum excitation voltage | V | 5… 15 | |||
绝缘电阻Insulation resistance | GΩ /100V | >5 | |||
额定温度范围Nominal temperature range | ℃ | -10~+40 | |||
工作温度范围Operating temperature range | ℃ | -30~+70 | |||
存储温度范围 Storage temperature range | ℃ | -50~+85 | |||
安全承载 Safe load limit | % of Emax | 150 | |||
极限承载 Breaking load | % of Emax | 100 | |||
额定载荷Emax, (Max. capacity) | % of Emax | 300 | |||
允许动态载荷 Permissible dynamic load | % of Emax | 70 | |||
最大载荷变形量 Deflection at max. load | mm | 0.5 | |||
防护等级 Protection class | IP68 | ||||
材料 Material 弹性体 Measuring body 电缆连接Cable entrance 电缆线 Cable sheath | Stainless steel Stainless steel PVC |





